【最大1200円OFFクーポン配布中】パナソニック 換気扇 【FY-MSH756D-S】 75cm スマートスクエアフード用同時給排ユニット 対応吊戸棚高さ60cm レンジフード部材(画像の本体は別売り、前幕板は付いています)【7月1日(日)0:00〜7月6日(金)9:59】
スマートフードを同時給排で使用する場合に使用する幕板付同時給排ユニット。
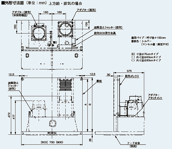
●適用スリムフード:60cm幅用●吊戸棚対応高さ600mmサイズ:W:750×H:565mm色=シルバ−■適用本体 【FY-7HTC4-S】、【FY-7HGC4-S】、【FY-7HZC4-S】 ■適用部材の一例 パイプフード(深形) ステンレス製 標準 【FY-MFX063】 パイプフード(深形) ステンレス製 防火ダンパー付 【FY-MFXB063】 パイプフード(深形) アルミ製 標準 【FY-MFA063】 パイプフード(深形) アルミ製 防火ダンパー付 【FY-MFAB063】 パイプフード(丸形) ステンレス製 標準 【FY-MCX062】 パイプフード(丸形) ステンレス製 防火ダンパー付 【FY-MCXB062】 ベントキャップ ステンレス製 標準 【FY-VCX062】 ベントキャップ ステンレス製 防火ダンパー付 【FY-VCXB063】 ワイヤレススイッチ 【FY-SZ001】ご不在時の商品配達のご連絡のため、電話番号はなるべく携帯電話の番号を入力してください。
メーカー希望小売価格はメーカーカタログに基づいて掲載しています仕様表 希望小売価格54900円 (税抜)※ 価格は予告なく変更する場合があります。
あらかじめ、ご了承ください。
発売日・終了日発売日:2014年07月01日品名専用部材 品名同時給排ユニット 品名スマートスクエアフード用 75cm幅・吊戸棚高60cm用 特長スマートフードを同時給排で使用する場合に使用する幕板付同時給排ユニット。
●適用スリムフード:60cm幅用●吊戸棚対応高さ600mmサイズ:W:750×H:565mm色=シルバ− 用途台所 図面
- 商品価格:18,748円
- レビュー件数:0件
- レビュー平均:0.0
@riraku5
@IKEA_jp_Anna
@ygwyrdd